發布時間:2025-04-24 09:07:28 人氣:

譜量光電主營產品介紹
依托光電行業多年深耕的經驗,譜量光電的產品線逐年豐富,已經包括探針臺,二維材料轉移平臺,光學平臺,波導耦合系統,OCT成像系統等重點主推產品,以及各類光源,運動控制產品,顯微觀察等其他類型的產品。
探針臺系列
包括精密型基礎測試探針臺,高低溫真空探針臺,恒溫加熱探針臺,原位高精度電動拉伸探針臺等以及探針臺相關附件。

精密型基礎測試探針臺

高低溫真空探針臺

電磁屏蔽箱

恒溫加熱探針臺

原位高精度電動拉伸探針臺

高精度電動探針座
二維材料轉移平臺系列
譜量光電現有三款二維材料轉移平臺設備:覆蓋了手動和電動操作,單筒顯微鏡成像和金相顯微鏡成像等不同使用和成像方式。

精密型二維材料轉移平臺

高分辨電動二維材料轉移平臺

高分辨二維材料轉移平臺

運動控制手柄

運動控制上位機軟件
光學平臺
譜量光電—光學平臺類產品目前分為三大系列:阻尼隔振光學平臺,氣浮隔振光學平臺,以及三線擺式高性能氣浮隔振光學平臺,案例豐富,支持多種定制選項。

阻尼隔振光學平臺

三線擺式高性能氣浮隔振光學平臺

氣浮隔振光學平臺

標準儀器架+遮光簾
耦合臺
譜量光電 精密對準耦合系統主要用于為半導體芯片、硅波導器件等提供光電耦合封裝平臺。目前已經覆蓋手動,半自動,全自動三種款式。

手動波導耦合系統

全自動波導耦合系統

半自動波導耦合系統



波導耦合系統軟件
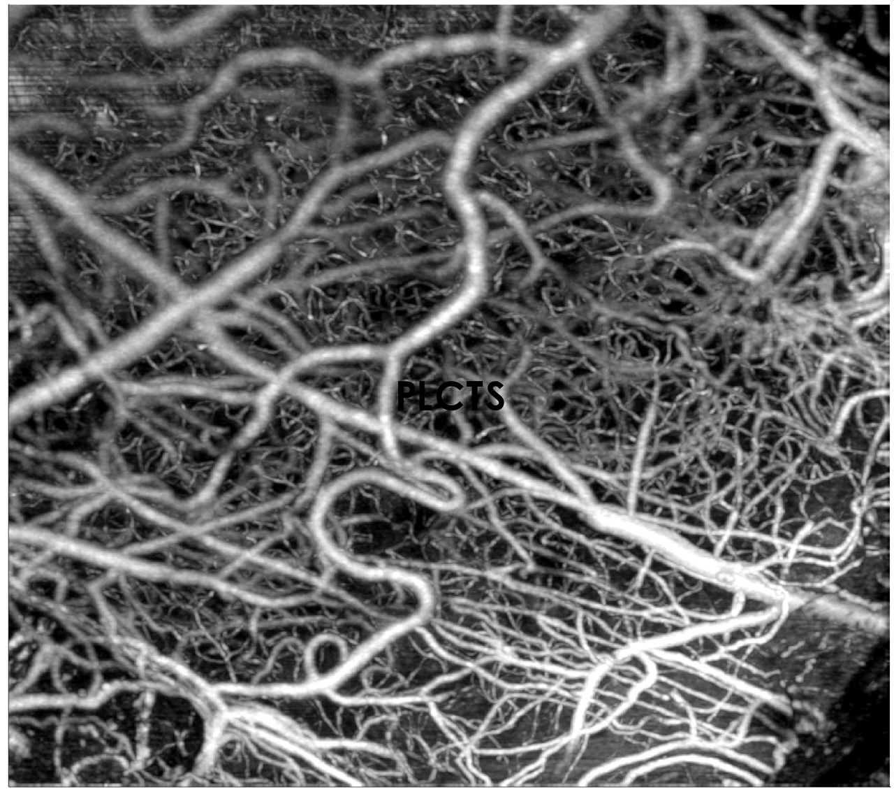
OCT成像系統
譜量光電 譜域SD-OCT成像系統由光源、邁克爾遜干涉儀、光譜儀、探測器、計算機與數據處理系統和掃描裝置組成。

SD-OCT光譜儀

SLD光源

液晶面板的膠合層析結構成像

直徑 100μm 玻璃小球的 enface 圖像

邁克爾遜干涉儀

小鼠大腦血管造影成像

小鼠耳部血管造影成像
上述所有產品的資料可以在哪方便獲取呢?
您可以在每個類目介紹文字的下方,點擊進入各個產品分類的商城鏈接。
或者您也可以直接點擊譜量商城首頁:https://www.plctss.com,查看更多產品詳情。
譜量光電——您身邊的光電實驗室
