|
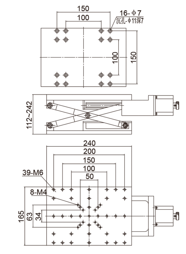
● 主體材質采用優質鋁合金,表面噴砂氧化黑;
● 標配為步進電機和標準DB9接口,配合控制器可實現自動化控制;
● 采用剪刀形升降支撐,精研絲杠驅動,雙導軌五軸定位機構,保證運動平穩、舒適,精度高,承載大;
● 上下兩面多孔位設計,適用性強,均可作安裝面;
● 用于大行程,不定量,大載荷的升降調整;
| 型號 | LTS160 | LTS1130 |
|---|---|---|
| 行程 | 60mm | 130mm |
| 臺面尺寸 | 80mm × 120mm | 165mm × 240mm |
| 分辨率 | 0.005mm(8 細分) | |
| 重復定位精度 | 0.02mm | |
| 最大速度 | 5mm/s | 6mm/s |
| 標配電機 | 步進電機 | |
| 最大靜轉矩 | 0.4N·m | 0.8N·m |
| 中心最大負載 | 10kg | 18kg |
| 自重 | 1.5kg | 3kg |
|
|
LTS160 | LTS1130 |