一、技術原理
譜域光學相干層析成像(Spectral domain OCT, SD-OCT)技術是繼時域光學相干層析成像技術發展而來的,它由寬帶光源照明的邁克爾遜干涉儀和光譜儀組成,參考臂固定不動從而無需對樣品進行軸向掃描,直接測量干涉信號的光譜,對所測的光譜進行快速傅里葉逆變換得到樣品不同縱向深度的信息,從而重構出樣品的高分辨率三維結構圖像。

|
| (譜域SD-OCT成像系統原理示意圖) |
二、系統組成
譜域SD-OCT成像系統主要由以下幾個部分組成:
- 寬帶光源:通常采用低時間相干度的寬帶光源,如近紅外光源。
- 邁克爾遜干涉儀:是系統的核心部件之一,用于將參考光與樣品的后向散射光進行干涉。
- 光譜儀:接收干涉信號,并將其轉換為光譜信息,以供后續處理。
- 參考鏡和橫向掃描裝置:參考鏡用于提供穩定的參考光路,橫向掃描裝置則用于對樣品進行二維掃描,以獲取完整的層析圖像。
1、寬帶光源
2、邁克爾遜干涉儀
3、光譜儀
三、邁克遜干涉儀系統介紹:
SD-OCT掃描系統的參考臂位于樣品附近,并且封裝于掃描系統內,以確保采樣臂相對于參考臂的相位穩定性。為適應不同采樣距離和反射率(例如,在水中成像),參考臂光程長度和其光強是可調的。為使色散產生的圖像失真最小,我們的OCT系統設計成將參考臂和采樣臂長度最大程度地光學匹配。此外通過我司專利化的色散補償算法,樣品的色散效應(例如,通過水或玻璃成像)可被補償,進一步提高系統成像分辨率。
1、系統組成:
(1) 分光系統
(2)二維橫向掃描振鏡系統
(3)參考臂、樣品臂、合束器
(4)合束器
(5)參考臂光程調節微分頭
(6)顯微鏡頭
2、工作過程(如下圖):
- 寬帶低相干光源發出的光經過分光鏡分成兩束。
- 兩束光分別反射回來后再次在分光鏡處匯合,發生干涉。
- 干涉光進入光譜儀,光譜儀將不同波長的光分離并由探測器(如CCD線陣)同時檢測。
- 通過傅里葉變換將光譜信息轉換為深度信息,從而重建出樣品的斷層圖像。
四、SD-OCT光譜儀核心優勢:
1、VPH光柵,低偏振依賴,高衍射效率
2、高成像分辨率,提供亞微米級空間分辨率
3、并行數據采集,超快掃描速度
4、非侵入性,快速實時成像
5、深度分辨能力
6、我司專利算法及軟件套件,簡化數采和分析(色散補償算法-理論極限軸向分辨)
五、應用領域
1、眼科成像:廣泛應用于視網膜、角膜、黃斑等的高分辨率成像
2、皮膚成像:適用于皮膚組織結構的詳細成像分析
3、工業檢測:對材料內部微結構的無損檢測,如半導體、光纖等
4、醫學研究:用于生物組織研究、病理檢測和細胞結構成像等領域
5、生物組織研究,如細胞結構、組織工程、藥物輸送
6、基礎研究,如光物作用、表界面化學分析
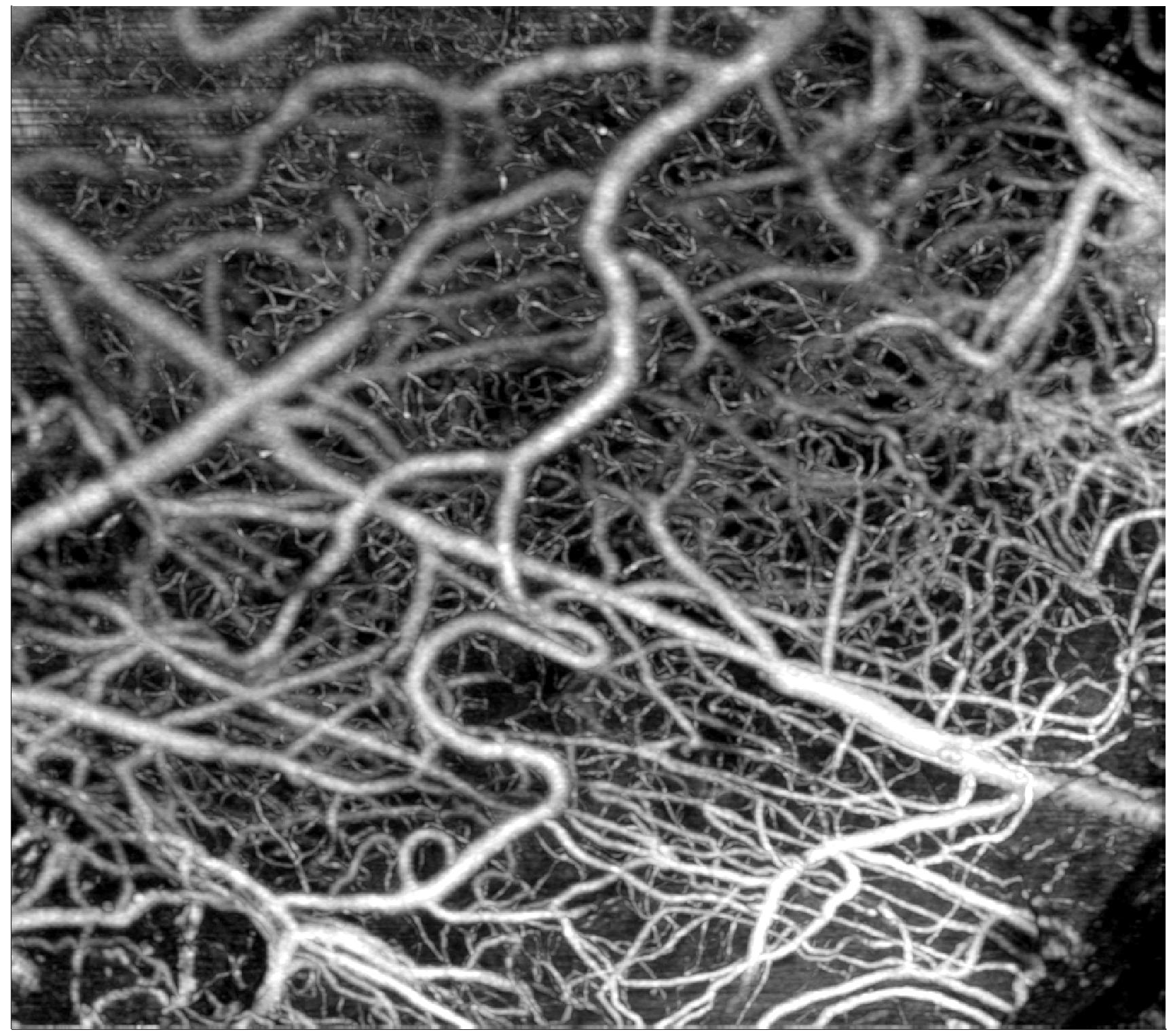
六、應用實拍
 |  |  |
| (小鼠大腦血管造影成像) | (液晶面板的膠合層析結構成像) | (小鼠鼠耳的截切面圖成像) |